Skip to content
<< Return to main page
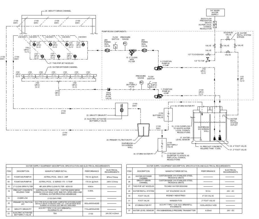
BIM WATER PLAYGROUND - Brisbane , Australia
Type of proyect: Interactive water fountain - water carpet effect and water jets
Area: 60m²
Location: Brisbane, Australia
Year: 2021